Ny
74HC00
74HC00
RENESAS
74HC00 ST SOP
In Stock: 6124 pcs
, mpikambana malaza ao amin'ny Fianakaviana IC CMO LOGIC, mampiditra ny vavahady efatra ao anaty fonosana iray, izay teknolojia silika-vavahady mba hifaninana amin'ny hafainganam-pandeha LS-TTL.Ity fifangaroana haingam-pandeha sy fahombiazana ity dia asongadin'ny fahaizany mitondra fiara hatramin'ny folo ls-ttl sy ny diode anatiny ho an'ny fiarovana fiarovana electrostatic, ny singa 74hc00 ho singa izay variana sy azo itokisana amin'ny famolavolana fizarazarana nomerika sy azo itokisana.Azonao atao ny mankasitraka ny fivoahan'izy ireo voapotsitra ho an'ny tsimatimanota sy ny fahatokisan-tena sy ny fifandraisany amin'ny indostrian'ny indostrialy maro - ny fenitra fenitra, ka mahatonga azy ho vato fehizoro amin'ny famoronana rafitra nomerika vaovao sy matanjaka.
katalaogy
ny 74hc00, ny fampidirana vavahady efatra manda efatra dia voamarika ho an'ny fianakaviany LS-TTL.
Mampiasa teknolojia silika-vavahadin-tsolika-vavahadinika, mahatratra ny hafainganam-pandehan'ny fiasa amin'ny ls-ttl raha mbola mitazona ny fifantohana amin'ny fanjifana herinaratra ambany.Io fifandanjana io dia ahafahanao manatanjaka ny hafainganam-pandeha sy ny fahombiazana, ny fambolena endrika izay mifanalavitra amin'ny fahakingan-tsaina.Ny vavahadim-bolo dia mamoaka ny famonoana ny tabataba manatsara, ny antony iray izay miteraka fampisehoana maharitra na dia amin'ny tontolo iainana aza.
Ny fahaizany mitondra fiara hatramin'ny folo ls-ttl dia mahatonga azy io mety amin'ny rafitra izay irin'ny famantarana famantarana maro.
Fitaovana fanakorontanana anatiny, manamaivana ny risika mifandraika amin'ny fandroahana electrostatic.Ity fampiasa ity dia manamafy ny andraikiny amin'ny fanitarana ny halavany lava be dia be, taratry ny fahendrena amin'ny fitadiavana fahatokisana maharitra.
Fanoloana sy fitoviana:
•
CD4011
CD4011
I-CORE
701
In Stock: 25220 pcs
• MC54HC00AJD
• M74hc00m1
• Sn54ls00
• Sn74hct00dte4
• 74hcts132d
• 74hct00

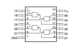
• Pins 1, 2, 4, 5, 9, 10, 12, 13: angon-drakitra
Ireo pins ireo dia noforonina mba hahazoana mari-pamantarana fampidirana mitarika ny fandidiana lojika amin'ny vavahady manda ao anaty sôkôlà.Ny fiantohana ireo fampidirana ireo dia tsy afaka amin'ny fitsabahan'ny mpamorona ny fitondran-tena azo itokisana, misaintsaina ny fifehezana sy ny faminaniana.
• Pins 3, 6, 8, 11: Fampivoarana data
Miasa toy ny fiorenany, ireo pins ireo dia mampita ny valin'ny fitokisan'ny vavahadin'ny vavony.Izy ireo dia afaka miasa amin'ny fananganana lojika digital isan-karazany, manenona ny lojika lojika sarotra.Rehefa mifamatotra amin'ny famoahana tokana ny faritra maro, ny mety ho vokatr'izany dia ny fomba fiasa ao amin'ny fifandanjana malefaka ilaina amin'ny fifandraisana mifangaro.
• Pin 7: Ground (GND)
Ity pin ity dia mifandray amin'ny rafitry ny rafitra mba hanomezana teboka tsy miovaova ho an'ny volonta.Ny fametrahana fifandraisana maharitra toy izany dia mifanaraka amin'ny fikatsahana voajanahary sy ny hazavan'ny mazava, manamaivana ny fikorontanana.
• Pin 14: famatsiana herinaratra tsara (VCC)
Ny famahanana ny volavolan-dalàna marina amin'ny alàlan'ny PIN dia manohana ny zava-bitan'ny fitaovana.Mandritra ny fitazonana ireo faritra voafaritra manatsara ny halavan'ny halavany sy ny fahombiazana, ny fametrahana decoupling manakaiky ny pins ny herinaratra dia mety hampitombo ny fandidiana, ny paikady fitaratra hitantana ny fahasarotan'ny fiainana.
Ny
74HC00
74HC00
RENESAS
74HC00 ST SOP
In Stock: 6124 pcs
dia namboarina miaraka amina vavahady efatra mahaleo tena izay mifantoka amin'ny fahombiazan'ny herinaratra, manintona anao amin'ny fampisehoana azo itokisana amin'ny faribolana dizitaly.Ny tsimatiman-tsofina mahavariana dia miteraka fampiharana azo antoka, izay maro no mahita manintona ireo tetikasa momba ny tetik'asa laharam-pahamehana.Azo alaina ao amin'ny praimin-tsofina sy soic ary mahafeno ny fepetra takian'ny famolavolana isan-karazany ary manolotra safidy fandanjalanjana PCB mora ampiasaina.
Ny Adaptability 74HC00 dia mamela azy hiditra ao anaty lojika be dia be ny fitambaran-jo sy ny rafitra intricate.Azonao atao ny manome lanja ny fahaizan'ny fampirimana harato / famoaham-pitondran-tena, mahita azy io ilaina amin'ny famoronana fiasa nomerika.
Ny fahaizany miasa amin'ny toe-javatra samihafa dia mahatonga ny 74hc00 ho malaza amin'ny fampianarana sy ny fampandrosoana prototype.Ny fahatsapana izay ampifanarahan'izy ireo amin'ny fitomboan'ny fizaran-tany dia manome aingam-panahy anao handinika vaovao vaovao tsy misy sorona.
Famintinana mpanamboatra
Ny fitaovana Texas dia nahazo laza ho an'ny fanoloran-tena mba hamoronana vokatra semiconductor azo itokisana sy fototra.Miaraka amin'ny fifantohony tsy miova amin'ny faharetana sy ny fampisehoana ambony, ny singa ao Texas dia 'ny singa ao amin'ny fon'ny fampiharana maro, ny fanehoana ny andraikiny mahomby amin'ny indostrian'ny elektronika.
Refy ara-batana
Fandrefesana 8.65mm x 3.91mmm x 1.58mm, ny fireharehana
74HC00
74HC00
RENESAS
74HC00 ST SOP
In Stock: 6124 pcs
dia mirehareha amin'ny endrika marevaka ho an'ny tontolo iainana.Ireo refy ireo dia manatsotra ny fampidirana ao anaty lisitry ny birao isan-karazany, mamela anao hampandefitra ny habaka voafetra nefa tsy mampandefitra ny fahaizan'ny fitaovana.
Toetran'ny herinaratra
Ny famatsiana volavolan-kevitra avy amin'ny 2V ka hatramin'ny 6v, manolotra fahaiza-miaina amin'ny fisafidianana loharanom-pahefana ary miantoka ny fifanarahana amin'ny sehatra iray midadasika.Ity zotram-piaramanidina ity dia manohana ny fampiharana Versatile, izay mamela ny 74hc00 mba hanitsy ny fanovana ny fitakiana ao amin'ny tontolo mavitrika ao amin'ny tontolo mavitrika.
Mari-pana sy tontolo iainana
Miasa amin'ny fomba mahomby eo anelanelan'ny -40 ° C sy 85 ° C, ny fitaovana dia natao mba hivezivezy ao amin'ny toetrandro sy ny toe-javatra indostrialy.Ny fanoherana manohitra ny fihanaky ny mari-pana dia manome safidy tsara ho an'ny elektronika elektronika sy fampiharana indostrialy, izay misy ny fiovan'ny tontolo iainana.
Fampisehoana metaly
Manolotra fanemorana ny fampielezan-kevitra amin'ny 23 nanoseconds, ny 74hc00 dia manamboatra ny fahombiazan'ny fanodinana ilaina amin'ny fiasa lojika haingam-pandeha haingam-pandeha.Ity fampisehoana haingana ity dia mahasoa ho an'ny fampiharana toy ny rafitra fifehezana famantarana sy ny rafitra mifehy ny marika, izay ilaina ny fifanakalozana fifanakalozana haingana.
Famintinana ara-drafitra
Ahitana vavahady 4 ny fitaovana, noho ny asa lojika, manome fiasa lehibe ho an'ny famolavolana lojika.Ity fanitsiana ity dia manaporofo fa mahasoa izay misy ny fandidiana lojika dia ilaina amin'ny fomba mahomby, miantoka ny fanodinana haingana sy azo itokisana ao anaty rafitra.
Fanasokajiana
Miasa ho toy ny vavahady lojika, ny 74hc00 dia singa voalohany amin'ny famoronana fizahan-tany nomerika.Azonao atao ny mampiasa ireo singa ireo mba hanamboarana rafitra nomerika be pitsiny, ka manatsara ny herin'ny herinaratra sy ny fandrosoana amin'ny fanodinana amin'ny fomba mahomby.
Ny
74HC00
74HC00
RENESAS
74HC00 ST SOP
In Stock: 6124 pcs
dia mampiditra ny vavahady manda mandatsa-bolo, samy manana ny fidirana roa mankany amin'ny famoahana tokana.Miankina amin'ny latabatra fahamarinana amin'ny antsipirihany ny fandidiana.Mazava ho azy fa ny vokatra dia mihena ny ambany raha tsy misy ny fidirana roa.Raha tsy izany, ny vokatra dia mijanona ho singa ambony indrindra amin'ny famolavolana lojika nomerika, mihetsika ho singa fototra amin'ny famoronana fizahan-tany maro kokoa.
Ny valin-kafatra tsara dia misy fiantraikany amin'ny fitoniana manerana ireo vavahady ireo.Rehefa mandeha ny vavahady tsirairay, ny valin-kafatra dia manamafy ny toe-piainana azo antoka, mamolavola fampisehoana tsy tapaka.Ity fifandanjana ity dia tratra amin'ny alàlan'ny fanamafisana ny fihetsik'ilay vavahady miaraka amin'ny soatoavina fampidirana.Azonao atao ny mametaka an'io lafiny io mba hanatrehana ireo faribolana mitaky ny fanjakana lojika azo ianteherana, tsy hiseho ny sosona azo antoka.
Ny fitazonana ny subtleties ny dinamika Input-output ao anaty vavahady nandafy dia nanatsara ny mety hisian'ny famolavolana fizaran-tany.Ny fampiharana iraisana dia misy ny fanamboarana flip-flop ary hanatanteraka ny lojika lojika toy ny sy, na, fa tsy fandidiana.Ity fahaiza-manao ity dia manamafy ny fananganan-dry zareo manerana ny tontolon'ny toe-javatra iray, avy amin'ny fomba fanaraha-maso mivantana ho an'ny frameworks somby.
Ny fisaintsainana ny fampiasana ny fitaovana 74hc00, ny fampisehoana azo itokisana dia mahita ny maha-zava-dehibe ny fananan-tsambo any an-tsaha ny elektronika elektronika.Ny hery handaminana ireo vavahady ireo amin'ny framika lojika isan-karazany dia manome fahafahana feno fahalalahana mamorona, mamporisika ny fanavaozana.Ny fitsipiky ny vavahady nandefa dia nanentana ny vahaolana nateraky ny sakana ara-teknolojia tokana.
Ny
74HC00
74HC00
RENESAS
74HC00 ST SOP
In Stock: 6124 pcs
dia vavahadin-jaza roa-fampidirana roa novolavolaina namboarina tamim-pahatsorana.Izy io dia misy fifangaroana mirindra amin'ny fampiharana sy ny teknolojia ara-teknolojia.
Toetoetra
• Miasa amin'ny elanelana be dia be
• Mampiseho fanemorana haingana
• Mety amin'ny asa avo lenta sy haingam-pandeha
Toetran'ny herinaratra
• Voltage sy ankehitriny: Ity singa ity dia miasa amin'ny haavon'ny haavon'ny volotakan-tsakafo, izay ao anaty filàna fahasamihafana ilaina.
• Sehatra ny mari-pana: Manatanteraka fitokisana manerana ny toerana mari-pana isan-karazany, mamela ny fampifanarahana amin'ny toe-piainana samihafa.
Rindranasa
• Fampiasana ankapobeny: singa iray vanona, mahita toerana ao amin'ny faribolana nomerika an'arivony, fanatanterahana ny filàna amin'ny asa andavanandro amin'ny fampiharana sarotra amin'ny fahasoavana.
• Fanatanterahana manokana: avy amin'ny elektronika mpanjifa amin'ny mekanika indostrialy, ny 74HC00 dia mampiditra am-peo, maneho ny fampiasa amin'ny fampiharana tsirairay.
Ny chip
74HC00
74HC00
RENESAS
74HC00 ST SOP
In Stock: 6124 pcs
dia mampiseho fahaiza-miaina mahavariana, matetika amin'ny toe-javatra elektronika samihafa noho ny fiasa malalaka.
Famonoana sy mitondra fiara
Ny 74HC00 dia miasa tsara amin'ny alàlan'ny mpangalatra na mpamily, mamolavola fifandraisana tsy misy seamless amin'ny faribolana.Amin'ny fanamaivana ny fihenan'ny volavolan-tena sy ny fanimbana famantarana famantarana, dia manangana fifandraisana tsy miangatra eo amin'ny singa.Amin'ny lafiny elektronika, ny fampiasana ny 74hc00 amin'ny maha-buffer dia afaka manohana ny fahafaha-microcontroller hanova ny LED na Modules marobe, izay matetika ao amin'ny tetikasa DIY.
Logic Operations
Ity chip ity dia mamela ny fandidiana lojika, toy ny vavahady manda, izay mamorona ny fototry ny rafitra intricate.Ny fampidirana tsy misy fotony amin'ny faribolana lojika isan-karazany dia manamafy ny fampiasana azy.Ao amin'ny famolavolana digital, ny fampidinana ny vavahady nandoa dia manome hery anao hanamboarana ny fizarazarana lojika tsy misy dikany, ary ny fampitomboana ny fombafomba sy ny fanamafisana.
Fampidirana rafitra
Tao anatin'ny rafitra napetraka, ny famonoana andraikitra tamin'ny taona 74HC00 tamin'ny alàlan'ny famotehana ny lojika lojika ao anatin'ny hetsika microcontroller.
Betsaka ny fitaovana IOT no miasa ity sombin-tsofina ity mba hanatanterahana ny fisavana sy ny fitantanana ireo fitaovana peripheral, ny fanamafisana ny fandraisana andraikitra sy ny fahatokisan-tena.
Fiovam-po ambaratonga
Ny 74hc00 dia manana anjara amin'ny fiovam-po mahomby, fanitsiana ny haavon'ny famantarana eo amin'ny faritra samihafa.Manamora ny fifampiresahana tsara amin'ny singa amin'ny salan'isa isan-karazany.Amin'ny toe-javatra mifangaro mifangaro, toy ny fampifandraisana ny microcontroller 5V amin'ny sensor 3.3V, ny 74hc00 dia manamboatra ny fizarazarana ny fizarana, miantoka ny fizarana data voafaritra tsara.
Fotoam-potoana sy fifehezana circuits
Ny Chip dia ahitana ihany koa amin'ny faribolana sy fifehezana mifehy, manampy amin'ny fandrindrana ny fomba fiasa amin'ny fomba lojika, izay mampitombo ny fampiharana toy ny fanemorana ny tsipika sy ny taranaka pulse.Ny fanatsarana ny fizaram-potoana misy ny fizaram-potoana miaraka amin'ny 74hc00 manatsara ny asa toy ny rafitra fifandraisana sy ny rafitra fifandraisana, miaro ny fahatokisana data amin'ny alàlan'ny fitantanana ny fotoana.
Digital Comparator ho an'ny fampitahana binary
Ny fiasan'ny 74HC00 ho fampitahana nomerika ho an'ny fampitahàna binary, mety amin'ny fanapahan-kevitra raisina ao anatin'ny frameworks nomerika.Izy io dia manavaka ny fitoviana na ny fiovaina eo amin'ny tarehimarika binary.Ny fampiasana ny 74HC00 ho an'ny fampitahana binary dia manome lalana mahomby amin'ny fampiharana ny fanapahan-kevitra birao amin'ny protocols nomerika isan-karazany, hanamafisana ny fampisehoana rafitra amin'ny hetsika.
74HC00 Datasheet:
74HC00 antsipirihany PDF74hc00 antsipirihany PDF ho an'ny fr.pdf74hc00 antsipirihany PDF ho an'ny KR.pdf74hc00 antsipirihany PDF ho an'ny IT.PDF74hc00 antsipirihany PDF ho an'ny es.pdf
1. Inona ny fiasa amin'ny 74hc00?
Ny 74HC00 dia mampiditra vavahady efatra tsy miankina amin'ny famerenam-bokatra efatra tsy miankina, miasa ao anatin'ny sehatry ny herinaratra 2.0V ka hatramin'ny 6.0v.Manompo rafitra lojika nomerika, mamela ny fananganana lojika lojika, izay mamorona ny lamosin'ny mpanao marika nomerika.
2. Firy ny vavahady nandand no misy ny 74ls00?
Ny 74lS00 dia misy andiam-bokatra efatra manda efatra, izay samy namboarina miaraka amin'ny inputs roa sy ny famoahana tokana.Ity konfigurasi ity dia safidy iraisana rehefa mampivoatra ireo singa amin'ny elektronika nomerika.
3. Inona no mampiavaka ny 74hc00 avy amin'ny 74ls00?
Ny fahasamihafana lehibe dia ny fampifangaroana ny volavolan-dry zareo.Ny 74HC00 dia miasa ao anatin'ny 2V hatramin'ny 6V, raha ny 74ls00 dia terena amin'ny famatsiana herinaratra 5V.Ny fifidianana matetika dia miankina amin'ny fahasamihafana misy amin'ny filàna fampiharana sy ny anton-javatra eo amin'ny tontolo iainana.
4. Azonao atao ve ny mamaritra ny andiany 74HC?
Ny andiany faha-74HC dia ahitana ny siramamy an-tsehatra avo lenta, manolotra ny hafainganam-pandeha mifandraika amin'ny ttl miaraka amin'ny fihenan'ny herinaratra mihena.Ny fifandraisan'izy ireo miaraka amin'ny laminasa 74ls '1 dia mamela ny fampidirana mora sy ny fanoloana ny faritra misy.
5. Inona ny fampiharana ny 74hc00?
Ao amin'ny faribolana nomerika, ny 74hc00 dia fitaovana izay iantsoana ny vavahadin-tsarimihetsika NAND LOGIC ho an'ny fametahana famantarana ary hamonoana ireo lojika sarotra.Ny fahaizany dia mahatonga azy ho fananana sarobidy amin'ny fanabeazana sy ny fiasa elektronika matihanina.
Zarao ity lahatsoratra ity